- MTI - 10" Poromeric Polishing Pad (PSA) for final polishing - EQ-PP-10PSA-PC Regular price €0,00Unit price /Unavailable
- MTI - 10' Heating Tape with Thermocouple, 760°C Max. for DIY - EQ-HT-TC-10 Regular price €534,41Unit price /Unavailable
- MTI Regular price €0,00Unit price /Unavailable
- MTI - 10.75 mm ID Pressing Die w/ BN or PEEK Liner for Pressing with Electric Field - EQ-BNL-12D Regular price €0,00Unit price /Unavailable
- MTI - 100 g Al(OH)3 (99.5%, 50 nm) Nanopowder - NPAlOH3 Regular price €133,94Unit price /Unavailable
- MTI - 100 g Al2O3 (Alpha, 99%, 110 nm) Nanopowder - NPAl2O3Alpha110 Regular price €94,71Unit price /Unavailable
- MTI - 100 g BaCO3 (99.9 %, < 50 nm) Nanopowder - NPBaCO3 Regular price €216,47Unit price /Unavailable
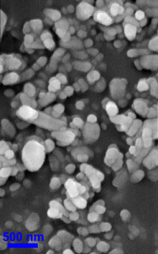
- MTI - 100 g CoFe2O4 (>98%, 40 nm) Nanopowder ( magnetic particle) - NPCoFe2O4 Regular price €188,06Unit price /Unavailable
- MTI - 100 g Ho2O3 (99.9%, <100 nm) Nanopowder, NP-Ho2O3 - NPHo2O3 Regular price €202,94Unit price /Unavailable
- MTI - 100 g Polycrystalline Silicon Powder, 4N Purity, APS 1 Micron - Lib-Si1000 Regular price €399,12Unit price /Unavailable
- MTI - 100 g Si (>97%, 100 nm) Nanopowder - NP-Si-P100 - NPSi Regular price €671,06Unit price /Unavailable
- MTI - 100 g Si3N4 (98.5%, 15-30 nm) Nanopowder + trace beta SiC - NPSi3N4 Regular price €202,94Unit price /Unavailable
- MTI - 100 g TiO2 (Anatase, 99%, 30 nm) Nanopowder - NP-TiO2-A-30 Regular price €108,24Unit price /Unavailable
 
             
 
 
             
             
             
             
             
             
             
 
 
 
 
 
 
 
 
 
 
             
             
 
 
 
