MTI | SKU:
CIP110D200
Set di stampi CIP da 200MPa (ID 110 mm) per pressa isostatica a freddo - CIP110D200
Prezzo normale
€0,00
Prezzo unitario
/
Non disponibile
Non è stato possibile caricare la disponibilità per il ritiro
Consegna e spedizione nell'UE
Consegna e spedizione nell'UE
Nel preventivo aggiungeremo i costi di spedizione, assicurazione e sdoganamento.
Set di stampi CIP da 200MPa (ID 110 mm) per pressa isostatica a freddo - CIP110D200
MTI
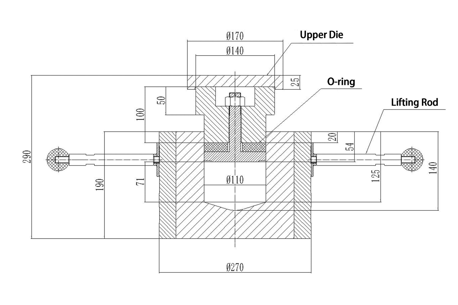
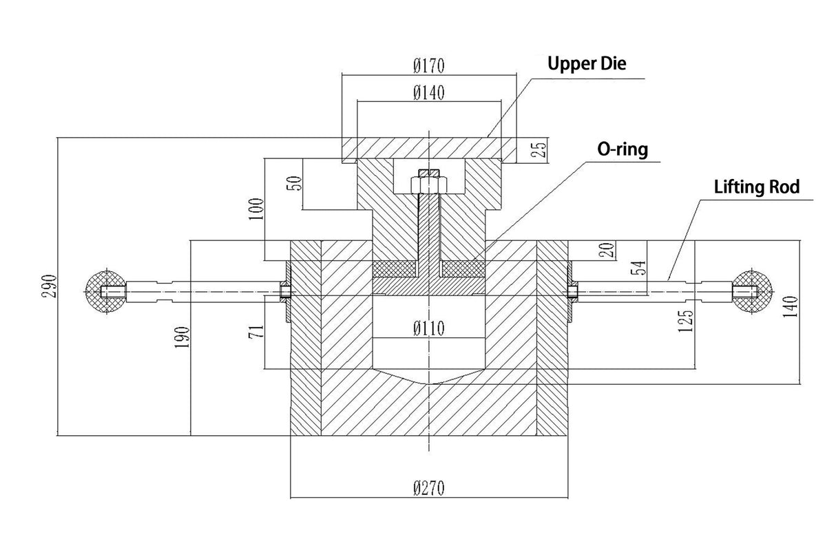
CIP110D200 è un set di stampi CIP (Max. 200 MPa) per pressa isostatica a freddo con una camera di 110 mm ID x 125 mm di profondità. È uno strumento eccellente per la preparazione di un campione di diametro massimo di 4" con una camera di profondità di 110 mm. 4" di diametro con una densità molto più elevata.
Specifiche:
| Dimensione della campanatura CIP | 110 mm ID x 125 mm Profondità | ||
| Pressione del vaso |
|
||
| Forza effettiva applicata al cilindro idraulico (tonnellata) | 95 | 190 | |
| Pressione stampo CIP (Mpa) | 100 | 200 | |
| Pressa compatibile |
|
||
| Note applicative |
|
||
| Avvertenze |
|
||




